news

新闻资讯

计算机显示器视觉健康认证有哪些测试要求?

浏览:

随着材料、显示和数字技术飞速发展,显示技术推陈出新,超高清、HDR、WCG 等新 技术应用,给消费者带来全新的显示效果体验和感受。大尺寸、高分辨力的显示设备走向市 场;HDR 技术增加了显示设备的亮度动态范围,更真实的还原了高动态范围图像;WCG 技 术显著增加了显示设备的彩色效果,使显示的画面色彩更加丰富多彩。越来越多的显示及数 字技术在显示设备上得到应用,以提高产品的显示效果。同时,健康、低噪声和低辐射等性能也越来越受到消费者的关注,视觉健康认证随之而来
 
 
视觉健康认证计算机显示器的技术要求:
 
包括显示性能、蓝光辐射、噪声和电磁兼容性能四个方面
 
测试标准:
 
GB/T 3241-2010 电声学 倍频程和分数倍频程滤波器
 
GB/T 3785.1-2010 电声学 声级计
 
GB/T 6882-2016声学 声压法测定噪声源声功率级和声能量级 消声室和半消声室精密法
 
GB/T 18313 声学 信息技术设备和通信设备空气噪声的测量 TIRT/GK-JS-34-2016 液晶显示终端HDR特性认证技术规范 TIRT/GK-JS-38-2016 OLED显示终端HDR特性认证技术规范 TIRT/GK-JS-41-2016 高显示性能计算机显示器认证技术规范 TIRT/GK-JS-43-2017 显示终端广色域(WCG)认证技术规范
IEC 62471:2006 Photobiological safety of lamps and lamp systems
ITU-R BT.2020 超高清电视系统节目制作和国际交换的参数数值
 
 
视觉健康认证显示器性能要求
 
平面型显示器显示性能应满足要求
 
 
曲面型显示器显示性能应满足的要求
 
 
 
宽屏曲面显示器性能应满足的要求。
 
 
 
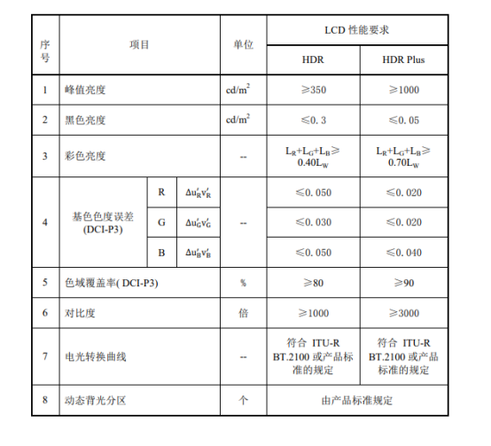
具有HDR功能的显示器应满足HDR显示性能要求,HDR显示性能要求分为两档,一档为HDR, 一档为HDR plus,
 
LCD显示器技术要求
 
 
 
 
 
OLED显示器技术要求
 
 
 
显示器可根据产品自身技术特点,满足广色域(WCG)显示技术要求
 
 
 
蓝光危害技术要求
 
为了防止长期受到蓝光辐射的视网膜产生视网膜光化学损伤,在任何显示条件下,显示 器件的蓝光加权辐亮度 LB要满足 IEC 62471:2006 4.3.3 条款中的 情况下的要求,
 
电磁辐射发射技术要求
 
适用性: 适用于所有在销售时带有支架的平板显示器。

交变电场辐射发射技术要求
 
显示器的交变电场辐射发射应满足表7的要求。
 
 
频段I:5Hz~2kHz ≤10V/m
频段II:2kHz~400kHz ≤1.0V/m
 
 
 
交变磁场辐射发射技术要求
 
频段I:5Hz~2kHz ≤200nT
频段II:2kHz~400kHz ≤25nT
 
 
工作噪声技术要求
 
显示器工作噪声声级应不大于10dB(A)。