news

新闻资讯

计算器显示器视觉健康认证测试要求以及办理流程

浏览:
 
计算机显示器视觉健康认证的技术要求:包括显示性能、蓝光辐射、噪声和电磁兼容性能四个方面
 
技术规范:
 
GB/T 3241-2010 电声学 倍频程和分数倍频程滤波器
 
GB/T 3785.1-2010 电声学 声级计
 
GB/T 6882-2016声学 声压法测定噪声源声功率级和声能量级 消声室和半消声室精密 法
 
GB/T 18313 声学 信息技术设备和通信设备空气噪声的测量 TIRT/GK-JS-34-2016 液晶显示终端HDR特性认证技术规范 TIRT/GK-JS-38-2016 OLED显示终端HDR特性认证技术规范 TIRT/GK-JS-41-2016 高显示性能计算机显示器认证技术规范 TIRT/GK-JS-43-2017 显示终端广色域(WCG)认证技术规范
IEC 62471:2006 Photobiological safety of lamps and lamp systems
ITU-R BT.2020 超高清电视系统节目制作和国际交换的参数数值
 
 
显示器性能要求
 
平面型显示器显示性能应满足要求
 
 
 
曲面型显示器显示性能应满足的要求
 
 
 
宽屏曲面显示器性能应满足的要求。
 
 
 
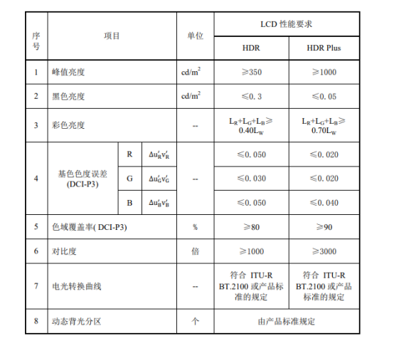
具有HDR功能的显示器应满足HDR显示性能要求,HDR显示性能要求分为两档,一档为HDR, 一档为HDR plus,
 
LCD显示器技术要求
 
 
 
 
 
OLED显示器技术要求
 
 
 
显示器可根据产品自身技术特点,满足广色域(WCG)显示技术要求
 
 
 
蓝光危害技术要求
 
为了防止长期受到蓝光辐射的视网膜产生视网膜光化学损伤,在任何显示条件下,显示 器件的蓝光加权辐亮度 LB要满足 IEC 62471:2006 4.3.3 条款中的 情况下的要求,
 
电磁辐射发射技术要求
 
适用性: 适用于所有在销售时带有支架的平板显示器。
 
交变电场辐射发射技术要求
 
显示器的交变电场辐射发射应满足的要求。
 
 
频段I:5Hz~2kHz ≤10V/m
频段II:2kHz~400kHz ≤1.0V/m
 
 
 
交变磁场辐射发射技术要求
 
频段I:5Hz~2kHz ≤200nT
频段II:2kHz~400kHz ≤25nT
 
 
工作噪声技术要求
 
显示器工作噪声声级应不大于10dB(A)。
 
 
计算机显示器视觉健康认证需要资料
 
 
a. 正式申请书
b. 提交工厂检查调查表
c.产品铭牌、产品描述
d.同一申请单元内各个型号产品之间的差异说明(适用时);
e.申请样品与生产产品一致性声明;
f.提供工商注册证明;
g.其他需要的文件。
 
 
计算机显示器机视觉健康认证流程
 
认证模式1
 
a.认证申请
b.产品检验
c.认证结果评价与批准
d.再认证
 
认证模式2
 
a.认证申请
b.产品检验
c.初始工厂检查
d.认证结果评价与批准
e.获证后的监督
f.再认证
 
认证模式3
 
a.认证申请
b.产品检验
c.认证结果评价与批准
d.获证后的监督
e.再认证
 
 
南宫28相信品牌的力量-ng28电子游戏官网入口-南宫ng28注册平台入口-南宫28在线登录-南宫28圈电脑版-南宫集团加拿大28-南宫28NG国际-南宫28注册入口-南宫28在线注册网站标准是一家专业从事显示器检测与认证服务的独立第三方机构,公司完全依据国家实验室质量标准ISO/IEC17025的要求建立实验室,并取得中国合格评定国家认可委员会授权认可,也是北京泰瑞特指定的视觉健康认证产品测试实验室,公司建有针对显示屏的光学、性能、能效等测试项目实验室,专业、可靠、值得的信赖。